锂电池二次保护
锂电池热失控
电动工具
新能源
光伏发电系统
风力发电(兆瓦级)
储能电池、电源输入
储能系统短路
EV电动车
EV充电桩
轻型电动车
家用电器
小家电
大家电
家电配件
厨房电器(电烤盘..)
空气炸锅
咖啡机
电熨斗
智能坐便器
个人数字产品
生活(美健)电器
办公器材
对讲机
医疗分析仪器
医疗辅助设施
医疗仪器
照明
照明-室内
户外路灯
电源
电源(功率小于20瓦)
数据中心高压直流(HVDC)
电源供应单元(PSU)
电池备份单元(BBU)
不间断电源(UPS)
通信
汽车
插座
防雷插座
安防
无人机(系留)
工业机器人
人形机器人
服务机器人
特种机器人
农业浇灌设备
农业智慧大棚
轨道交通设施
轨道车辆
轨道电源
燃油加油机
交通控制系统
交通信号灯
商用洗净设备
快递柜(无人机)
自动售货机
防雷元器件厨房电器电路安全保护赛尔特(SETsafe | SETfuse)解决方案、产品
本文主要介绍厨房电器(电加热盘、电烤盘......)电路安全保护,涉及:
| 加热底盘过温度保护---过温度保护
| 电源过电流保护---过电流保护
| 浪涌防护和耐压保护---过电压保护
| 电源浪涌保护---过电压保护
概述
电加热盘(Electric Heating Plate)和电烤盘(Electric Griddle/Electric Grill)是厨房电器中用于烹饪的设备,通过电加热提供均匀热量,适合煎、烤、煮等多种烹饪方式。电加热盘通常指单面加热的平面设备,广泛用于加热食物或保持食物温度;电烤盘则更专注于煎烤,常见于烧烤、煎饼等场景。其特点包括操作便捷、加热均匀、易清洁,以及智能化趋势(如温控、传感器技术)。电烤盘类型多样,包括传统单面电烤盘、无烟多功能电烤盘、陶瓷烤盘、迷你电烤盘等,满足不同场景需求。
市场规模方面,根据调研,2024年全球厨房电器市场规模约为1585.4亿美元,预计2029年达2026.2亿美元,复合年增长率(CAGR)为5.20%;电烤盘作为细分品类,2023年全球收入约数百万美元,预计2030年将显著增长,中国市场占比逐年提升,亚太地区尤为突出(数据来源于网络,仅供参考)。

为什么要使用电路保护元器件
厨房电器如电加热盘和电烤盘使用电路保护元器件的原因如下:
防止过热引发安全事故:
电加热盘和电烤盘工作时产生高温,若温度失控,可能导致设备损坏、起火或烧伤用户。电路保护元器件(如一次性温度保险丝Thermal-Link)能在温度超过安全阈值时切断电路,避免事故。
保护电器元件:
过载、短路或电压异常可能损坏加热元件、电路板等核心部件。保护元器件(如保险丝、断路器)通过切断异常电流,延长设备寿命。
确保用户安全:
电路保护元器件可防止漏电、触电等电气危害,保障用户在使用过程中的安全。
应对异常运行条件:
如电压波动、长时间运行或环境温度过高,保护元器件能及时响应,防止设备故障或性能下降。
提升设备可靠性:
通过保护电路免受过流、过压或过温影响,元器件提高设备稳定性和耐用性,减少维修成本。
符合安全标准与法规:
全球家电安全标准(如UL、CE、CCC)要求电加热设备配备保护元器件,以确保产品合规,降低制造商法律风险。
国家与国际标准要求
许多国家和地区对家用电器的安全设计有强制性标准,要求使用电路保护元器件以确保安全。以下是一些相关标准:
国际标准:
IEC 60335-1
国际电工委员会(IEC)制定的标准,要求电加热设备具备过热保护装置,如温度保险丝或热断路器,以防止过热引发的危险。电加热盘和电烤盘作为家用电器,必须符合此标准。
IEC 60730
规定了温度控制和保护装置(如Thermal-Link)的性能要求,确保其在异常高温下可靠动作。
国家标准:
中国:
GB 4706.1
要求电加热器具配备过热保护装置,如温度保险丝或热敏开关。
CCC认证:
电加热盘和电烤盘需通过CCC认证,证明其电路保护符合国家安全标准,否则不得在中国市场销售。
欧盟:
EN 60335-1:
欧盟采用的IEC 60335-1地方版本,要求电加热设备具备过热和过流保护,温度保险丝是常见解决方案。
CE认证:
进入欧盟市场的电器必须符合CE安全要求,包括电路保护装置的使用。
美国:
UL 873、UL 1026:
要求电加热器具配备过热保护装置,如Thermal-Link,以防止过热风险。
UL认证:
美国市场的电加热盘和电烤盘需通过UL认证,确保电路保护符合安全标准。
电路保护元器件的使用不仅是技术需求,也是全球范围内强制性法规的要求。各国通过标准(如IEC 60335-1、GB 4706.1、UL 873)和认证(如CCC、CE、UL)确保电加热盘和电烤盘在设计中包含可靠的保护机制,以保障用户安全和市场准入。Thermal-Link因其简单高效,常被用作符合这些标准的保护元件。
赛尔特(SETsafe | SETfuse)解决方案、产品
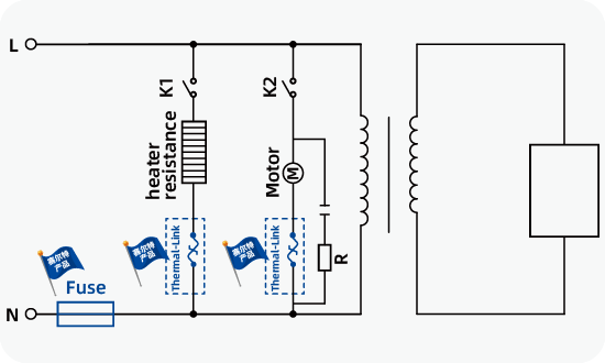
加热底盘过温度保护

保护类型:过温度保护
产品名称:
温度保险丝-合金型 Thermal-Link (ATCO) - Alloy Type
系列:
径向型、引线:SK 进一步了解
径向型、引线:TK 进一步了解
产品名称:
温度保险丝 Thermal-Link (有机物型 OTCO)
系列:
轴向、引线型:RS 进一步了解
轴向、引线型:RT 进一步了解
电源过电流保护

保护类型:过电流保护
产品名称:
小型熔断器 (Miniature Fuses)
系列:
管状、轴向、引线型:SCT520 & SCT520P 进一步了解
径向、引线型:SPT478 进一步了解
SMD型:SCT1032 进一步了解
SMD型:SCT6125 进一步了解
浪涌防护和耐压保护

保护类型:过电压保护
产品名称:
气体放电管 Gas Discharge Tube(GDT)
系列:
轴向、引线型:SF 进一步了解
电源浪涌保护

保护类型:过电压保护
产品名称:
压敏电阻 Metal Oxide Varistor(MOV)
系列:
径向、插件型:SFV10D 进一步了解
径向、插件型:SFV14D 进一步了解
径向、插件型:SFV20D 进一步了解
总结
这些电路保护元器件通过监测和应对过流、过压、过热、漏电等异常情况,共同确保电加热盘和电烤盘的安全性、可靠性和使用寿命。不同元器件根据设备设计和功能需求组合使用,以满足安全标准并提升用户体验。
为什么选择赛尔特(SETsafe | SETfuse)温度保险丝 Thermal-Link
| 产品制造:全自动化智能制造。
| 规格齐全,最大额定电流30 A。
| 品质有保证 ,产品功能,性能,可靠性经的起验证。进一步了解
高于国家标准15个项目:可靠性试验项目30项,包括机械要求、电气要求、温度试验、焊接性能、环境试验、寿命试验,比国家标准多15项。
高于国家标准41.67倍指标:保持温度试验按1000 小时测试(国家标准:24 小时)。
高于国家标准2.5倍指标:动作温度精度±2 ℃(国家标准0/-10 ℃)。
| 多体系认证:进一步了解
| 环保产品HSF(符合RoHS 3.0、REACH、无卤):进一步了解
| 多行业应用 进一步了解
公司专业
| 超过25年专业设计、制造销售电路保护元器件。产品畅销超40个国家,许多500强企业选择赛尔特(SETsafe | SETfuse)。
| 国家级高新技术企业。
| 国家级专精特新企业。
| 公司荣誉 进一步了解
| EHS 进一步了解
服务有保证,无忧
| 售前,售中,售后有专业人员支持(1小时内有反馈) 进一步了解
……
携手赛尔特(SETsafe | SETfuse),化技术挑战为可靠方案。
当您在电路保护元器件选型或系统方案设计中面临技术挑战,赛尔特(SETsafe | SETfuse)专业工程师团队始终是您可靠的技术伙伴。赛尔特(SETsafe | SETfuse)专注于过温度、过电压、过电流与主动保护领域,具备全面的技术支援能力,可迅速响应您的需求。无论是需要精准的产品参数指导,还是希望构建系统级保护方案,赛尔特(SETsafe | SETfuse)均能提供专业、务实且高效的建议与支持。
从前期设计咨询、中期方案实施到后期产品保障,我们全程协同,为您提供一站式服务,确保项目高效推进与安心落地。如您有任何需求或疑问,敬请邮件联系:sales@SETfuse.com
专业电路保护,为您提供从概念到量产的全周期支持。