Up
电压保护水平 Voltage Protection Level
施加规定梯度的冲击电压和规定幅度及波形的冲击电流,在SPD两端之间预期出现的最大电压。
— (IEC 61643-11)
8/20 μs
8/20 冲击电流 Current Impulse
波前时间为8μs,半峰时间为20μs的冲击电流。
— (IEC 61643-11)
1.2/50 μs
1.2/50 冲击电压 Voltage Impulse
波前时间为1.2μs,半峰时间为50μs的冲击电压。
— (IEC 61643-11)
Uc
最大持续工作电压 Maximum Continuous Operating Voltage
可连续地施加在SPD上的最大交流电压有效值。
— (IEC 61643-11)
In
标称放电电流 Nominal Discharge Current
流过SPD具有8/20波形电流的峰值。
— (IEC61643-11)
Iimp
Ⅰ类试验的冲击放电电流 Impulse Discharge Current for Class I Test
Iimp由三个参数来定义:电流峰值 Ipeak 、电荷量 Q 和比能量 W/R。
— (IEC 61643-11)
Imax
最大放电电流 Max. Discharge Current
根据制造商制定的规格,允许流过SPD的8/20波形电流最大值。Imax 等于或大于In 。
— (IEC 61643-11)
保护模式 Modes of protection
在端子间保护保护元器件的电流路径,例如相对相、相对地、相对中线、中线对地。
— (IEC 61643-11)
IP
外壳防护等级(IP 代码)Degrees of Protection Provided by Enclosure (IP Code)
外壳提供的防止触及危险的部件、防止外界的固体异物进入和/或防止水的进入壳内的防护程度。
— (IEC 61643-11)
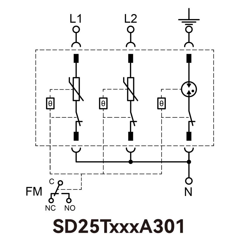
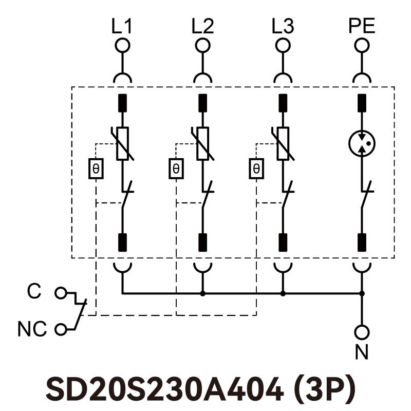
导轨安装电涌保护器(SPD)
● 交直流电源系统
● 新能源
● 民用建筑
● 通信
● 数据中心(IDC)
● 配电系统
● EV充电桩,进一步了解
● T1, T2, T3防雷元器件应用,进一步了解
案例
SD20RxxxL405 系列, T2
赛尔特电涌保护器(SPD)SD20RxxxL405 系列, T2应用在智储能系统中
进一步了解
SPD选择和使用导则,请参考:
GB T 18802.12-2014 低压电涌保护器(SPD)第12部分:低压配电系统的电涌保护器 选择和使用导则 第6.2章节。
GB/T 18802.22-2019 低压电涌保护器(SPD)第22部分:电信和信号网络的电涌保护器 选择和使用导则。
GB/T 18802.32-2021 低压电涌保护器(SPD)第32部分:用于光伏系统的电涌保护器 选择和使用导则。
如需要精准完成选型赛尔特SPD产品,请联系赛尔特:
客服、应用工程师(FAE)(联系方式在产品系列详细页面)。
销售(赛尔特官网的“联系”菜单中联系总机获得)。
电源类电涌保护器选型
产品选型资料,是赛尔特FAE团队基于当前有限经验下梳理整合而成的。深知市场环境复杂多变,行业知识浩瀚无垠,此份资料或许难以涵盖所有情况,如有不足之处,恳请各位海涵。
定义:
电涌保护器 (Surge Protective Device,简称 SPD):用于限制瞬态过电压和泄放电涌电流的电器。
应用:
电源电涌保护器通常应用在光伏、储能、通信、石油、化工、冶金等重要领域,保护这些领域免受电涌过电压的侵扰。
电源类低压电涌保护器分为:
低压电源系统的电涌保护器。
参考标准:IEC61643-11、EN61643-11、GB/T18802-11。
用于光伏系统的电涌保护器。
参考标准:IEC61643-31、EN61643-31、GB/T18802-31。
低压电源系统的电涌保护器的选型(共三步):
一、选择SPD试验类别
1.1 若建筑中有安装LPS,应使用I类试验的SPD。
1.2 若建筑中没有安装LPS,且终端电杆与装置入口之间的架空线位置可能发生直接雷击,则电气装置入口处或附近也需要装置Ⅰ类试验的SPD。
1.3 Ⅱ类和Ⅲ类试验的SPD可用于设施的入口处,第Ⅱ类和Ⅲ类试验的SPD可用于设备附近的位置。
1.4 根据SPD安装位置所处防雷分区选择SPD类别(详见附录一)。
二、确定需要的保护模式(参考表1)
2.1 SPD的保护模式遵循以下原则:
保护模式的数量取决于要保护的设备类型(例如:如果设备不接地,则线或中性线对地不需保护);设备的耐受性能取决于各个保护模式,电气系统的结构,接地方式,以及线路中侵人波形的特性。
例如:相/中性线和PE导线之间,或相和中性线之间一般能实现充分保护,而相和相之间一般不用保护。
表1:多种低压系统可能要求的各种保护模式:

表1 各种保护模式
注a:连接类型1(CT1),--在每条相线和主接地极或保护导线之间,在中性线和主接地极或保护导线之间,优先选择较短的连接路径。
注b:连接类型2(CT2),--在每条相线和中性线之间,在中性线和主接地极或保护导线之间,优先选择较短的连接路径。
从表1得出SPD在低压电源系统的保护模式。
2.2 低压单相交流的保护模式通常有:
2.2.1 L ~ PE,N ~ PE (通称:2+0)。
2.2.2 L ~ N,N ~ PE (通称:1+1)。
2.3 低压三相交流的保护模式通常有:
2.3.1 L1 / L2 / L3 ~ PE (通称:3+0)。
2.3.2 L1 / L2 / L3 ~ N,N ~ PE (通称:3+1)。
2.3.3 L1 / L2 / L3 / N ~ PE (通称:4+0)。
三、SPD特性参数的选择
3.1 最大连续工作电压Uc(参考表2)
电涌保护器件的最大连续工作电压Uc应大于或等于电路回路的额定电压Ucs(系统最大工作电压);GB18802.12给出了各种电源系统中SPD的Uc的最小建议值。
注:除了IT系统以外,Uc需足够高到可以覆盖首次故障情况(1.1U x √3 )。

表2 各种电源系统中SPD的Uc的最小建议值
3.2 暂时过电压试验值UT(参考表3)
当低压系统发生故障时,UT值应大于或等于设备上预期出现的暂时过电压UTOV ,当SPD的UT值小于UTOV 值时,需要SPD符合可接受的失效模式(耐受,安全分断)。

表3 GB/T16895.10-2021给出的最大TOV值
3.3 标称放电电流In / 冲击放电电流Iimp / 最大放电电流Imax / 开路电压Uoc(参考表4)
选择 SPD的能量耐受选择应基于对电涌发生的概率和可接受的故障率的风险分析,依据防护场所的重要程度(建筑物重要程度的划分详见下表GB 50343-2012 表4.3.1)。另外GB 50343-2012《建筑物电子信息系统防雷技术规范》给出了电源线路浪涌保护器冲击电流和标称放电电流参数推荐值,请参照表4。
注:如有其他特殊场所或特殊环境选择饭请联系我司技术人员讨论交流。

表4 电源线路浪涌保护器冲击电流和标称放电电流参数推荐值
3.4 额定短路电流 ISCCR
SPD的ISCCR应与安装位置预期短路电流配合。具体原则:SPD应装有必要的脱离装置,以免干扰其他保护装置,例如RCD、熔断器、断路器或 SSD。SPD(在发生故障的情况下)及其过电流保护装置(内部或外部)的短路电流耐受能力,应大于或等于安装处的最大预期短路电流。此时需考虑SPD制造商指定的最大过电流保护装置。
3.5电压保护水平UP:(参考表5、表6)
电涌保护产品的电压保护水平应小于后端设备的额定冲击电压耐受水平Uw(或关键设备的冲击抗扰度水平)一般的要求Up < 0.8 Uw(额定冲击电压耐受水平);各产品标准技术委员会应以下表5过电压类别的基本说明为基础来确定过电压类别。

表5 低压电气装置过电压OVC类别
后端设备的冲击电压耐受水平(关键设备的冲击抗扰度水平)可根据参照表6要求。

表6 设备额定冲击电压耐受值
选型示例
现在要选择一款适用于TT系统,三相电源220/380交流系统的防雷器,安装在分配电箱,要求电压保护水平在2 kV以内,要求UL认证。
1. 确认TT系统的保护模式可以选择有L ~ N,N ~ PE 和 L ~ N,N ~ PE对应的保护模式分别为4+0,3+1。
2. 安装位置为分配电箱,根据4.1.1条款可以选择Ⅱ类SPD。
综上所述可以选择赛尔特的SPD产品:SD20R230L405、SD20R230A404,检查这两款产品Up小于等于1.8 kV 且产品有UL认证,符合要求。
用于光伏系统的电涌保护器的选型(共二步):
一、交流侧SPD的选择
请参考上文:低压电源系统的电涌保护器的选型。
二、直流侧SPD的选择
2.1 确定需要的保护模式
光伏系统中的电源保护可采用单一的保护模式(如I型)的SPD组合,也可以采用多级SPD(如U、Y型)。SPD中使用的保护元件可以是电压限制型,电压开关型或两者的组合。
2.1.1 光伏直流I型:+ ~ -。
2.1.2 光伏直流U型:+/ - ~ PE。
2.1.3 光伏直流Y型:DC+ / DC- ~ PE,DC+ / DC-。
2.2 选择SPD的关键参数
2.2.1 标称放电电流In / 冲击放电电流Iimp / 最大放电电流Imax
光伏系统SPD的In / Iimp / Imax的选择应考虑SPD安装位置,以及是否有外部的LSP(接闪器系统),以及安装环境综合考量,标准GB/T18802.32 附录A给出了不同情况下这些参数的优选参考值。
2.2.2 光伏应用下的最大持续工作电压 Ucpv
所有SPD保护模式(正/负、正/地、负/地)的最大持续工作电压Ucpv应大于或等于光伏阵列在所有使用条件下的最大开路电压UocMax。
注:直流导线和地之间的电压波形取决于逆变器技术,并不总是平滑的直流电压,在直流侧选择 SPD宜考虑直流纹波。
2.2.3电压保护水平 UP (参考表7)
为确保有效保护设备,电压保护水平U,应低于被保护设备的耐冲击电压额定值Uw。通常应保持Up不大于0.8倍设备耐冲击电压额定值Uw,即两者之间至少宜有20%的安全裕度(见IEC6164312和IEC62305-4)。此外,PE导体宜靠近直流导线。如果无其他信息,可从表7中选择设备的耐冲击电压额定值Uw。

表7 光伏阵列和逆变器的设备冲击电压额定值
2.2.4 光伏应用下的额定短路电流 ISCPV
如果 SPD在其寿命结束时变为低阻抗状态,则故障电流将取决于光伏串的数量、SPD的安装点和辐照水平。由于光伏组件的非线性特性,光伏组件的短路电流略高于最大功率点(MPP)的电流。这使得光伏系统内的短路检测变得困难,因为所产生的故障电流可能不会使过电流保护装置(例如熔断器或断路器)动作。
对于外部过电流保护装置或集成在SPD中的过电流保护装置也是如此。SPD短路电流额定值Iscpv应大于或等于SPD安装点处的光伏阵列产生的最大短路电流Iscmax。(Iscmax计算信息详见GB/T18802.32附录B)
选型示例
25 kW,1500直流输入的组串式逆变器,230/400三相IT系统输出,室内安装,整机出口欧洲,请给出合适的内置式防雷方案。
2.1 从功率大小25 kW逆变器尺寸基本可以确认,安转方式为板载安装,室内安装防雷方案可确认为2级防雷,所以选择二级防雷器。
2.2 1500 V直流侧通常需两个900 V直流工作电压左右的压敏串联才能相对安全在相应的直流环境下工作所以直流侧选择赛尔特的产品:TFMOV10M680,采用Y型接线方式。
2.3 交流侧220/380 IT系统,确认系统是否带中性线(N线),可以选择赛尔特的产品:TFMOV10M385,采用3+0 或 4+0的接线方式。
附录
一、保护距离(SPD的安装位置及类别的确认)
SPD的安装位置可参照标准GB/T21714.4防雷分区(如图1)选择Ⅰ、Ⅱ、Ⅲ类的SPD,确定了SPD的实验类别后还应确认SPD与被保护设备的安装距离,这一距离取决于SPD的Up,SPD的导线长度,以及系统特征(导体的类型和长度),还有设备的特性(过电压耐受特性,抗扰度)。

图1 SPD雷电防护分区
1.1 直击雷非防护区(LPZ0A):电磁场没有衰减,各类物体都可能遭到直接雷击,属完全暴露的不设防区。
1.2 直击雷防护区(LPZ0B):电磁场没有衰减,各类物体很少遭受直接雷击,属充分暴露的直击雷防护区。
1.3 第一防护区(LPZ1):由于建筑物的屏蔽措施,流经各类导体的雷电流比直击雷防护区(LPZ0B)区进一步减小,电磁场得到了初步的衰减,各类物体不可能遭受直接雷击。
1.4 第二防护区(LPZ2):进一步减小所导引的雷电流或电磁场而引入的后续防护区。
1.5 后续防护区(LPZn):需要进一步减小雷电电磁脉冲,以保护敏感度水平高的设备的后续防护区。
不同安装位置(SPD所处的防雷分区)SPD类别的选择请参照表8。

表8 不同安装位置(SPD所处的防雷分区)SPD类别的选择
二、安装空间及安装方式
SPD的尺寸需考虑电路板和/或整机的安装空间限制,元器件的长宽高应满足相关要求。
三、海拔和工作温度
SPD的海拔高度和工作温度范围需满足实际工作可能出现的安装环境要求。
四、认证要求
SPD需客户产品认证需求,一般看整机及客户对元器件的认证要求;
电涌保护产品常用安规标准GB/T18802《低压配电系统用电涌保护器》(国标)和IEC61643《低压配电系统用电涌保护器》(欧规)和UL1449 《电涌保护器安全标准》(美规),行业标准有YD 1235《通信局用低压配电系统用电涌保护器技术要求》。
本文引用标准:
GB/T 18802.12 -2024《低压电源的电涌保护器的选型和使用导则》。
GB/T 18802.32 -2024《用于光伏系统的电涌保护器的选型和使用导则》。
GB/T 16895.10 -2021《低压电气装置》。
GB/T 50343-2012《建筑物电子信息系统防雷技术规范》。
GB/T GB/T21714.4-2015《雷电防护:建筑物内电气和电子系统》。
GB/T16916.1-2014 《家用和类似用途的不带过电流保护的剩余电流动作断路器(RCCB) 第1部分: 一般规则》。
GB/T16917.1-2014《家用及类似场所用过电流保护断路器 第1部分:用于交流的断路器》。

赛尔特质量方针
提供业界领先的产品
设计
高可靠性的设计、严苛的验证与批量试产确保能量产的质量水平。
原材料供应商
选择关键原材料:必须来自具有质量管理体系(ISO9001、IATF16949)认证的制造商。
年度或季度审核供应商。
来料质量检查(IQC)
AQL(MIL-STD-105E,GB/T2828.1-2012),尺寸、功能、外观检验、RoHS 和 REACH 测试或供应商检测报告确认。
文件
根据材料技术指标、设计数据、质量要求,为每种原材料制定相应的《进料检验规范》,文件编号(01-QA-06-xxx)。
测试设备和工具
投影仪、工具显微镜、数显卡尺、盐雾试验机、万能材料试验机、光谱分析仪等。

生产、工艺
在线检验和测试(功能100%自动测试)。
文件
产品制造工艺流程图;
失效模式及后果分析 (FMEA);
品质控制计划 (QCFC);
标准检验程序 (SIP);
作业指导(WI)等。
在线测试和检验
静态三参数检测系统;
100%视觉影像检测等。
过程质量控制(IPQC)巡检
外观检验、尺寸、功能抽检等。
成品质量控制(FQC)抽检
AQL(MIL-STD-105E,GB/T2828.1-2012),外观检验、尺寸、功能抽检、RoHS & REACH 抽检。
可靠性测试
试验规范 (01-TE-01-xxx),包括外观要求、电气性能、环境测试、机械性能、材料性能和焊接性能等26项, 例如:
电压保护水平测试;
耐压测试;
拉力测试等。
出货质量控制(OQC)
AQL(MIL-STD-105E,GB/T2828.1-2012),包装、标签、数量检验;
客户特殊要求100%确认。
机构
机构认证年度、季度监督审核。
管理系统
ISO9001(德国TUV批准并颁发证书,年度监督审核);
ISO14001、ISO45001等(年度监督审核)。
点击查看证书
环境
符合 RoHS、REACH要求。
什么是“双85试验”
“双85试验”指的是温度要求85 ℃,相对湿度要求85%的高温高湿试验,通常时间周期要求为1000 h。因为试验条件要求中两个关键参数都是85,故常被称为“双85试验”。它是一种以加速方式评价小型电工电子产品(主要是非气密元件)耐湿热劣化效应的试验方法。
开展“双85试验”的目的
试验中由于非气密试验样品内部与试验环境间的水蒸汽分压力差,使得水蒸汽加速渗入试验样品,从而诱发样品产生缺陷和故障,为样品性能优劣评价和后续样品质量提升改进提供必要的数据支持。此外,加速试验比正常工程环境诱发的故障速度快的多,因此节省了大量工程实践的时间。
常用的参考标准
GB/T 2423.50【环境试验 第2部分:试验方法 试验Cy 恒定湿热 主要用于元件的加速试验】。
IEC 60068-2-67【Environmental testing - Part 2-67: Tests - Test Cy: Damp heat, steady state, accelerated test primarily intended for components 】。
JESD22-A101D【Steady-State Temperature-Humidity Bias Life Test】。
可能诱发的故障类型
有缺陷的材料退化、水解,机械强度下降;
金属腐蚀;
电子设备的绝缘电阻下降、漏电增加。
等效寿命计算
Eyring模型用于加速湿热环境下的加速因子计算:

基于Eyring模型的加速因子:


例如:假设产品实际工作环境为40℃,60%RH,则加速因子为37.7,单个产品在85℃,85%RH环境中测试1000 h,相当于实际工作37700 h。
各行业的应用
可靠性的“双85试验”已经渗透至各行各业中去,电子电工、通讯技术、仪表仪器、车辆、医疗、塑胶制品、航天航空等行业广泛的应用。
赛尔特产品
赛尔特公司的TFMOV等产品都有“双85试验”(具体请以各型号的产品验证报告为准),确保产品满足严酷的湿热环境应用要求,持续为用户的安全用电提供保驾护航。
赛尔特产品“双85试验”过程
进一步了解赛尔特(SETsafe | SETfuse)测试中心(实验室)


使用方法
1. 交流频率在47Hz和63Hz之间。
2. 持续施加在电涌保护模组上的电压不应超过其最大连续工作电压Uc。
3. 工作环境气压在45 kPa 到106 kPa,对应工作海拔为+5000 m 至0 m。
4. 通电情况下请勿直接触碰本体或引脚,防止触电。
更换
基于安全原因,电涌保护器是不可修复的产品,替换时应使用同类别同型号的产品。
存贮
电涌保护器的贮存应避免高温、高湿、日光直射和腐蚀性气体的场合,避免引线氧化。产品购入后请于1年内使用完。
安装
1. 仅专业电气人员可进行相关安装和调试。必须遵守相关国家的法规。
2. 安装前请务必检查设备是否有外部破损。如设备有缺陷,则不得使用。
3. 注意触电危险。请在安装使用前断开电源。
4. 连接至电涌保护装置 (SPD)的输出电缆应尽可能短,避免形成回路。
5. 请在电涌保护器前端安装合适的后备保护装置。
6. 安装过程和安装后不宜对电涌保护器本体施加机械应力。
维护
1. 每年在雷雨季节的前后根据说明检查SPD的状态 。
2. 如果出现”故障状态”的指示,则表示SPD损坏。 请用相同型号的SPD替换。
3. 电路通电前确保电气连接和安装正确。
4. 产品在出厂前均经过严格的检验和质量控制,如发现工作异常,请及时与本公司联系。
进一步了解
点击“进一步了解”跳转到 产品目录下载页面 下载阅读。
赛尔特(SETsafe | SETfuse)提供了多种分类模式:
产品系列:只看某一个产品的某一个系列。一份文件一个系列。
产品类别:只看某一个产品类别,包含该产品的所有系列。一份文件包含该产品所有系列。
保护类别:共有四个类别:过温度保护、过电压保护、过电流保护、主动保护。四份文件。
全部产品:赛尔特(SETsafe | SETfuse)所有产品,一份文件。
如需要了解更多,请与赛尔特(SETsafe | SETfuse)联系:sales@SETfuse.com。
电涌保护解是如何运作的
电涌保护装置(SPD)在保护电气系统免受电压尖峰影响方面发挥着重要作用。保护器能够检测、分流并耗散多余的电压。通常具有以下功能:
具备检测电压尖峰的能力。
通过接地系统分流电涌。
具备管控多余电压的功能。
持续监测线路电压。
具备检测电压尖峰的能力
电涌保护装置(SPD)内置的装置,能够瞬间识别异常电压水平。
通过接地系统分流电涌
电涌保护装置(SPD)利用接地系统,将多余的电压从敏感电子设备上平稳分流。
具备管控多余电压的功能
一旦检测到电压尖峰,电涌保护设备(SPD)即刻介入,将多余的电压降至正常范围。
持续监测线路电压
电涌保护装置(SPD)可以持续监测线路电压,及时发现可能对下游电路造成损害的瞬态电压迹象。
重置或更换
在发生重大电涌事件后,电涌保护装置(SPD)可能需要重置或更换。
赛尔特(SETsafe | SETfuse)设计了多种类型的电涌保护装置(SPD),可满足不同应用需求。